Pilz P2HZ X1: Relé de seguridad de dos manos
Este relé de seguridad está diseñado para aplicaciones de mando a dos manos, donde es obligatorio que el operario mantenga las dos manos fuera de la zona peligrosa mientras la máquina realiza un movimiento peligroso (por ejemplo, el cierre de una prensa).
La máquina solo se mueve si los dos pulsadores se accionan de forma simultánea.
Si se suelta uno de ellos, la salida de seguridad cae y el movimiento se detiene.

Esquema electrico
Esta información del esquema, la vas a poder encontrar siempre en la documentación facilitada por cada fabricante. Normalmente con el nombre de Instrucciones de uso o Manual de operación…

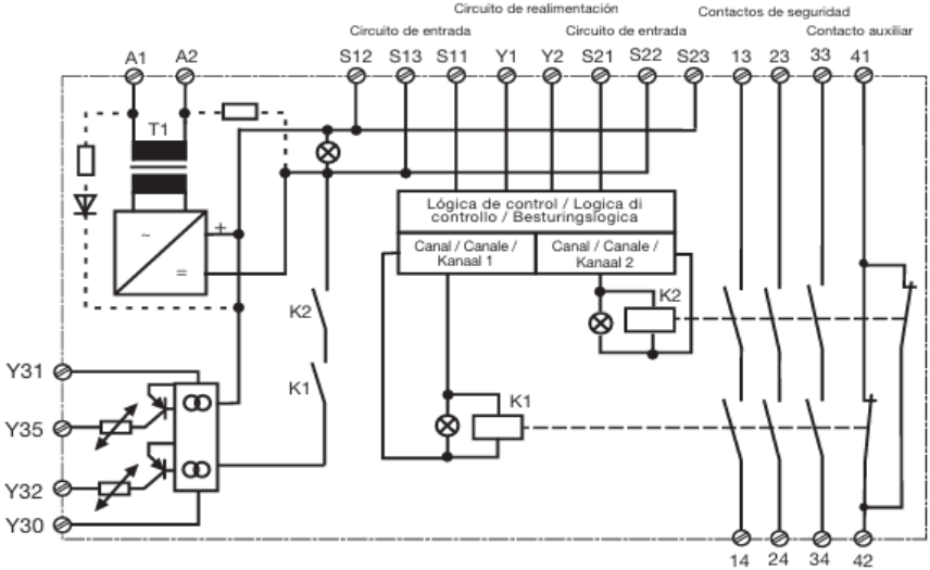
Esquema Pilz P2HZ X1
El primer paso es saber identificar los diferentes grupos de entradas y salidas que tiene el relé:
Alimentación
Identificados como A1 y A2. Si ves un transformador y/o fuente de alimentación, significa que ese relé funciona a 230v.
En caso contrario, la alimentación es a 24v de una fuente externa.

En este modelo de relé la alimentación es a 230v.
Buscamos información en las Instrucciones de uso para saber si se trata de una o varias entradas y como se cablean cada una de ellas.

Este relé se trata de un mando a dos manos que requiere la activación de los dos canales a la vez. Con la particularidad de que usa contacto NC y NA de cada pulsador:
Contactos de seguridad
Estos son los contactos que más nos interesan. Son los que nos van a cortar la potencia para que no pueda haber un accidente.
Estos contactos conmutan con las bobinas del relé al recibir las entradas OK y rearmar si es necesario.

Para este modelo de relé que tiene pulsadores a dos manos, las entradas 13 y 23 van directos a 24v y las salidas 14 y 24 actúan sobre los contactores.

Circuito de realimentación o rearme
En estos pines, se suele hacer 4 tipos de cableado según el modelo de relé:
- Puentear para que rearme automático.
- Cablear los contactos NC de los contactores de seguridad.
- Cablear uno o varios rearmes.
- Hacer una mezcla entre los dos últimos puntos.
Según el manual de instrucciones, se realiza un puente o pasamos por los NC de los contactores. Aunque al final, las dos opciones son un puente de rearme automático.

Esto es por la razón de que es un relé a dos manos, entonces pulsar el relé supondría un tercer pulsador o mano.

Contactos auxiliares
Son contactos con lógica contraria a los de seguridad y solo sirven por ejemplo para encender un led de aviso o mandar la señal al PLC de que el relé está caído o no rearmado.

Este modelo de relé solo tiene 1 contacto auxiliar, que se puede utilizar por ejemplo, para un led rojo que señalice que está el sistema parado.

Salidas de estado
Estos pines dan información extra a nuestro PLC. Cuando está el relé alimentado o cuando está OK y rearmado.

Conectamos el pin 35 y 32 a entradas de nuestro PLC y los pines Y31 e Y30 a 24v de nuestra fuente o del propio PLC.
Menú
CONCEPTOS BÁSICOS
ESQUEMAS
RELÉS DE SEGURIDAD
- Relé PILZ P2HZ X1
- Relé PILZ PNOZ X3
- Relé OMRON G9SE-201
